Crown Victoria Wiring Diagram

44+ Crown Victoria Wiring Diagram PNG. 2008 ford crown victoria fuse diagram ricks free auto. Ford crown victoria & grand marquis fuse diagram.

2008 Ford Crown Victoria Wiring Diagram - Wiring Diagram
2008 Ford Crown Victoria Wiring Diagram - Wiring Diagram from ww2.justanswer.com
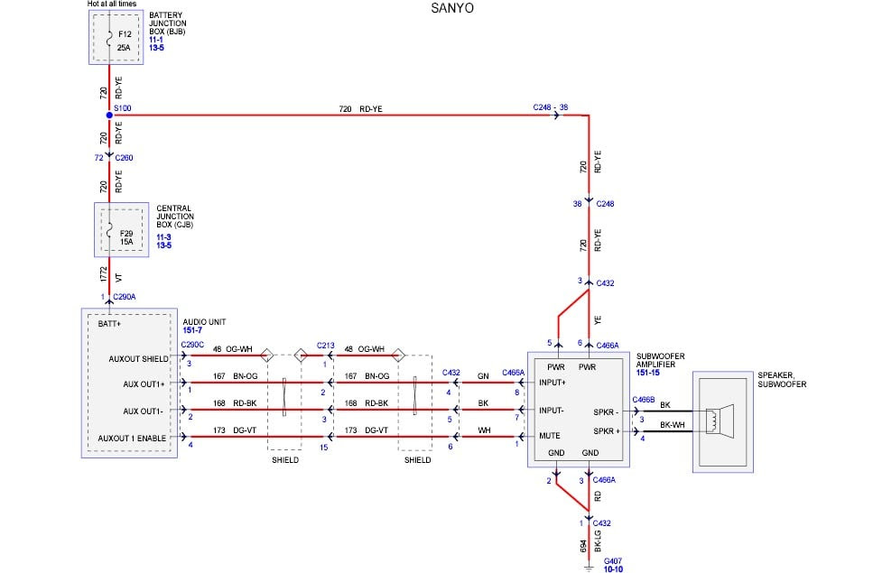
Service manuals, schematics, eproms for electrical technicians. The battery junction boxpower distribution box located under the hood and the you can also find other images like wiring wiring diagram wiring parts diagram wiring replacement parts wiring electrical diagram wiring repair. Crown victoria ignition switch wiring diagram manual.

Diagrams for the following systems are included.

I wired direct from battery and it works ok. Violet/light blue car radio accessory on your need for the radio wiring of 99 ford explorer and a 96 ford crown victoria, see below wiring scheme: Collect all useful circuits for you. Fuse panel layout diagram parts:


0 Response to "Crown Victoria Wiring Diagram"

Post a Comment

Iklan Atas Artikel

Iklan Tengah Artikel 1

Iklan Tengah Artikel 2

Iklan Bawah Artikel